EN CN
JBSD5230-6BL

JBSD5230-6BL

用途:

适用于RO膜反渗透净水机、机械行业等产品

产品介绍:

RO稳压泵采用自主专利结构,低功耗,高效率。具有真空吸水的特性,自吸能力超强,能自动强力排除水管中空气。冬天不失压(不受气候及水温影响),自动适用管道压力,输出压力恒定。噪音低、耐弱酸弱碱腐蚀,应用广泛。

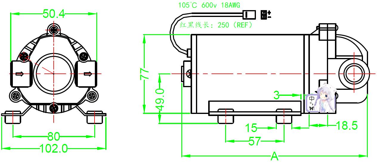
产品详情


 备注:电机性能可以根据客户要求进行设计
Motor voltage, power and speed will be customized according to your request under the allowed circumstance of adoptable  dimension.